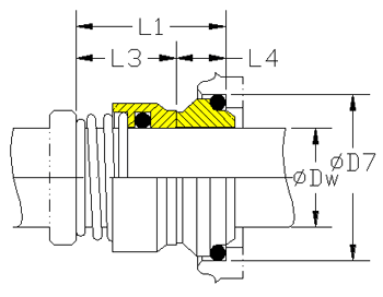
| Dw |
L1 |
L3 |
L4 |
D7 |
| 10 |
22,0 |
15,0 |
7,0 |
21,0 |
| 12 |
25,0 |
18,0 |
7,0 |
23,0 |
| 14 |
29,0 |
22,0 |
7,0 |
25,0 |
| 16 |
30,0 |
23,0 |
7,0 |
27,0 |
| 18 |
34,0 |
24,0 |
10,0 |
33,0 |
| 20 |
35,0 |
25,0 |
10,0 |
35,0 |
| 22 |
35,0 |
25,0 |
10,0 |
37,0 |
| 24 |
37,0 |
27,0 |
10,0 |
39,0 |
| 25 |
37,0 |
27,0 |
10,0 |
40,0 |
| 28 |
39,0 |
29,0 |
10,0 |
43,0 |
| 30 |
40,0 |
30,0 |
10,0 |
45,0 |
| 32 |
40,0 |
30,0 |
10,0 |
48,0 |
| 33 |
49,0 |
39,0 |
10,0 |
48,0 |
| 35 |
49,0 |
39,0 |
10,0 |
50,0 |
| 38 |
55,0 |
42,0 |
13,0 |
56,0 |
| 40 |
55,0 |
42,0 |
13,0 |
58,0 |
| 43 |
60,0 |
47,0 |
13,0 |
61,0 |
| 45 |
60,0 |
47,0 |
13,0 |
63,0 |
| 48 |
60,0 |
47,0 |
13,0 |
66,0 |
| 50 |
60,0 |
46,0 |
14,0 |
70,0 |
| 53 |
70,0 |
56,0 |
14,0 |
73,0 |
| 55 |
70,0 |
56,0 |
14,0 |
75,0 |
| 58 |
70,0 |
56,0 |
14,0 |
78,0 |
| 60 |
70,0 |
56,0 |
14,0 |
80,0 |
| 63 |
70,0 |
56,0 |
14,0 |
83,0 |
| 65 |
80,0 |
66,0 |
14,0 |
85,0 |
| 68 |
80,0 |
64,0 |
16,0 |
90,0 |
| 70 |
80,0 |
64,0 |
16,0 |
92,0 |
| 75 |
90,0 |
64,0 |
16,0 |
97,0 |
| 80 |
90,0 |
72,0 |
18,0 |
105,0 |
| 85 |
90,0 |
72,0 |
18,0 |
110,0 |
| 90 |
90,0 |
72,0 |
18,0 |
115,0 |
| 95 |
90,0 |
72,0 |
18,0 |
120,0 |
| 100 |
90,0 |
72,0 |
18,0 |
125,0 |
|
|
|
|