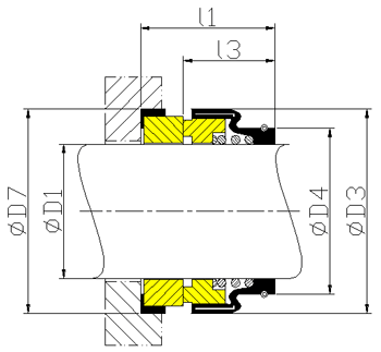
Typ G4

 

D1 D3 D4 D7 l1 l3
20,0 38,0 29,0 38,0 27,5 18,0
25,0 43,0 34,5 42,0 29,5 20,0
30,0 50,0 40,0 48,0 34,0 22,0
38,0 58,0 47,0 58,0 38,0 26,0


Einsatzgrenzen: P1:
T:
10(12) bar
-20 bis 140°C
T abhängig vom Elastomer
Vg: 10 m/s
Gleitflächen: V:
B:
Al-Oxid
Kohle K
Metallteile: CrNiMo-Stahl
Nebendichtungen: NBR